Complete Product Introduction
1. Product Brief Introduction
The XGN-12 series fully insulated enclosed ring main unit is a fully insulated, hermetically sealed, and maintenance-free solid insulated vacuum switchgear. All live parts are insulated with high-performance epoxy resin through integral casting, integrating the vacuum interrupter, main busbar, earthing switch, and insulating support into a single unit, featuring high-voltage live part insulation and solid busbar connection. As a result, the entire switchgear is not affected by the external environment, ensuring the reliability of equipment operation and the safety of operators.
This series of products adopts a modular design and is convenient for installation, making it particularly suitable for urban 10kV distribution networks, small and medium-sized power systems, and industrial and civil power supply networks. It is used as the acceptance and distribution end of electric energy, and is widely applied in residential areas, industrial and mining enterprises, shopping malls, airports, subways, power plants, hospitals, stadiums, railways, tunnels, and other places.
Thanks to its advantages of full insulation, full sealing, and full shielding, the product is especially suitable for harsh environments such as high altitude, high temperature, humidity, severe cold, and heavy pollution.
2. Product Classification
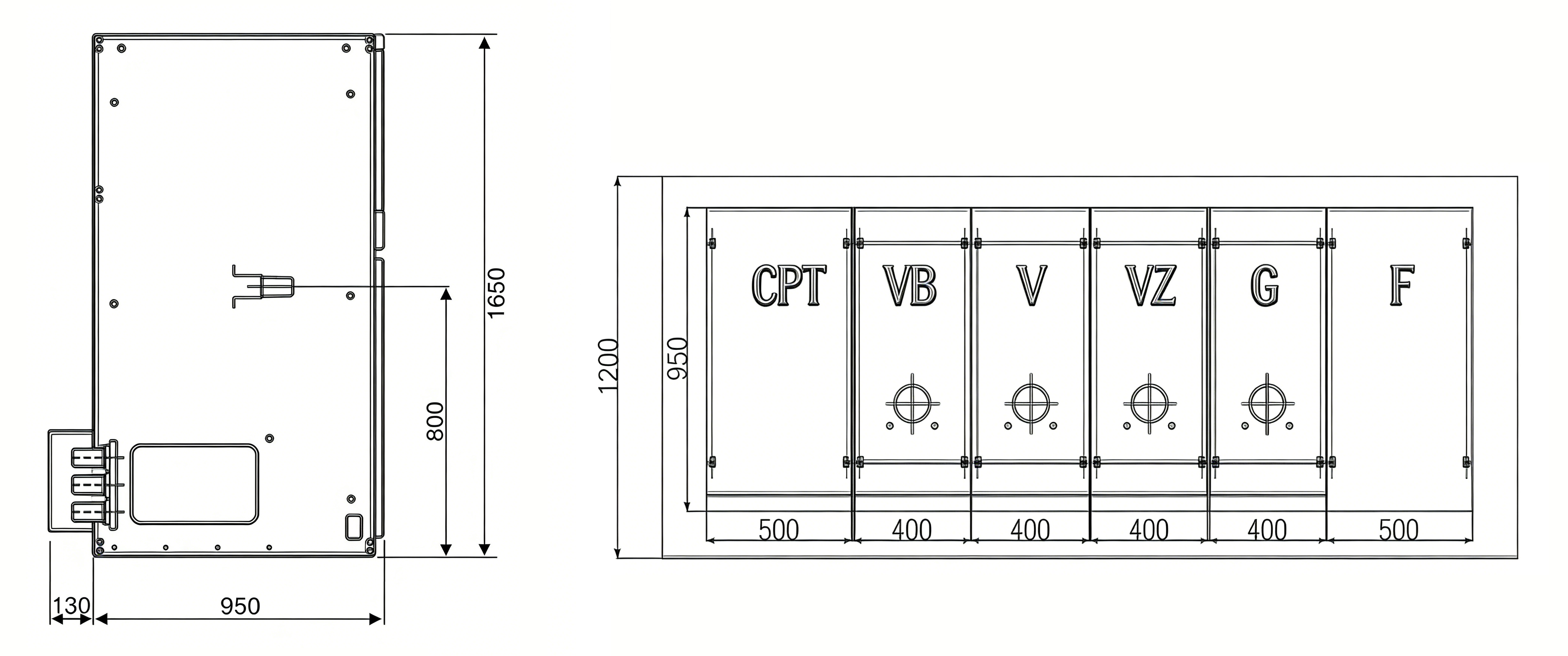
According to different functional modules, the products are divided into:
- Load switch with earthing assembly (Module C)
- Load switch without earthing assembly (Module B)
- Circuit breaker with earthing assembly (Module V)
- Circuit breaker without earthing assembly (Module VB)
- Circuit breaker tie assembly (Module VZ)
- Load switch + circuit breaker tie assembly (Module F)
- Isolator switch assembly (Module G)
3. Model Meaning & Explanation
The coding of the product model contains the core structural characteristics and parameter information. The specific meaning of each part is as follows:
- X: Solid insulated
- G: Indoor type
- N: Ring main unit
- 12: Rated voltage (kV)
- □: Rated current (A)
- □: Rated short-circuit breaking current (kA)
- □: Design type
4. Operating Conditions
- Ambient temperature: -45℃ ~ +45℃
- Humidity: Daily average ≤ 95%, monthly average ≤ 90%
- Altitude: ≤ 4000m
- Seismic capacity: Intensity 8
- Protection class: Live parts IP67, interrupter cylinder IP67, switchgear IP3X
5. Product Characteristics
- Environmental Protection: All materials used are non-toxic and harmless, no harmful substances are emitted during use, and materials can be recycled after their service life, making the product environmentally friendly.
- Maintenance-Free: The indoor high-voltage vacuum switchgear has all high-voltage live parts in a fully sealed state, eliminating the need for cleaning and maintenance and reducing operation and maintenance costs.
- Safety: Shielded design eliminates the risk of electric shock. A complete interlock system and visible three-phase isolation gaps prevent misoperation. The elimination of SF₆ gas avoids insulation performance degradation and arc extinguishing failure caused by low gas pressure.
- Operability: The earthing switch of the isolator has only one operating handle, eliminating misoperation risks. The operating sequence is clear and intuitive, requiring no complex training for operators with basic electrical knowledge.
- Intelligence: The switchgear is equipped with intelligent interfaces and sensor installation positions, which can meet the requirements of smart grids after configuring intelligent equipment.
- Diverse Operating Mechanisms: The switch can be equipped with spring or permanent magnet operating mechanisms for user selection.
6. Compliance Standards
- Q/GDW 730-2012 《Technical Conditions for 12kV Solid Insulated Ring Main Units》
- GB 1984 《Alternating Current High-Voltage Circuit Breakers》
- GB 3804 《3.6kV~40.5kV Alternating Current High-Voltage Load Switches》
- GB 1958 《Alternating Current High-Voltage Isolators and Earthing Switches》
- GB 4208 《Degrees of Protection Provided by Enclosures (IP Code)》
- GB 16926 《High-Voltage Alternating Current Load Switch-Fuse Combinations》
- GB/T 156 《Standard Voltages》
- GB/T 7354 《Partial Discharge Measurements》
- GB/T 11022 《Common Technical Requirements for High-Voltage Switchgear and Control Gear》
- GB 3906 《3.6kV~40.5kV Alternating Current Metal-Enclosed Switchgear and Control Gear》
7. Main Technical Parameters
| Item | Unit | Parameter | Item | Unit | Parameter |
|---|---|---|---|---|---|
| General | Circuit Breaker Unit | ||||
| Rated Voltage | kV | 12 | Rated Short-Circuit Making Current | kA | 50(63) |
| Rated Frequency | Hz | 50 | Rated Short-Time Withstand Current | kA/s | 20/4(25/4) |
| Power Frequency Withstand Voltage | kV/min | 42/48 | Circuit Breaker Mechanical Life | times | 20000 |
| Lightning Impulse Withstand Voltage | kV | 75/85 | Circuit Breaker Electrical Life | times | E2 |
| Arc Extinction Duration | s | ≥0.5 | Rated Operating Sequence | - | O-0.3s-CO-180s-CO |
|
Protection Class of Primary Parts (Except Metering Compartment) |
- | IP67 | Partial Discharge | pC | ≤5 |
| Cabinet Protection Class | - | IP4X | Load Switch-Fuse Combined Electrical Unit | ||
| Compartment Protection Class | - | IP2X | Rated Current (Max.) | A | 200 |
| Operating Power Supply Voltage | V |
DC24, 48, 110, 220 AC110, 220 |
Rated Short-Circuit Breaking Current | kA | 31.5 |
| Busbar System | Rated Short-Circuit Making Current | kA | 80 | ||
| Rated Current | A | 630(1250) | Partial Discharge | pC | 3150 |
| Rated Short-Time Withstand Current | kA/s | 20/4(25/4) | Isolator Switch | ||
| Rated Peak Withstand Current | kA | 50(63) | Rated Current | A | 630/1250 |
| Rated Peak Withstand Current | kA | 50 | Rated Short-Time Withstand Current | kA | 20/25 |
| Load Switch Unit | Rated Short-Time Duration | s | 4 | ||
| Rated Current | A | 630 | Rated Peak Withstand Current | kA | 50/63 |
| Rated Short-Circuit Making Current | kA | 50 | Mechanical Life | times | 3000 |
| Rated Short-Time Withstand Current | kA/s | 20/4 | Earthing Switch | ||
| Load Switch Mechanical Life | times | 20000 | Rated Current | A | 630/1250 |
| Load Switch Electrical Life | times | E3 | Rated Short-Time Withstand Current | kA | 20/25 |
| Partial Discharge | pC | ≤5 | Rated Short-Time Duration | s | 4 |
| Circuit Breaker Unit | Rated Peak Withstand Current | kA | 50/63 | ||
| Rated Current | A | 630(1250) | Rated Short-Circuit Making Current (Peak) | kA | 50 |
| Rated Short-Circuit Breaking Current | kA | 20(25) | Rated Short-Circuit Making Current Times | times | 2 |
| The switch can be equipped with spring or permanent magnet operating mechanisms for user selection. | Mechanical Life | times | 3000 | ||
8. Application Fields
- High-Cold Areas: No SF₆ gas application, eliminating low-temperature operation issues of SF₆ gas, and can operate normally at -45℃.
- Strong Wind and Sand Areas: The ring main unit body has IP67 protection class, and the control circuit uses a special treatment to ensure long-term operation in strong wind and sand areas.
- High-Altitude Areas: Solid insulation and hermetic sealing ensure stable insulation performance at high altitudes.
- Environmental Protection Requirements: Eliminates SF₆ gas, which is harmful to the atmosphere, making it environmentally friendly and harmless to humans.
- Smart Grids: Equipped with an intelligent controller independently developed by the company, enabling remote control, remote measurement, and remote communication for switchgear and substations, realizing both decentralized and centralized control.
9. Design Scheme
10. Product Structure and Working Principle
11. PT Cabinet with Load Switch (Fully Insulated Type)
12. Circuit Breaker Cabinet
13. Circuit Breaker Bus Tie Cabinet
14. Lifting Cabinet
15. Circuit Breaker Bus Tie Cabinet
16. Overall Dimensions


17. Transportation & Storage
- Packaged ring main units can be transported by electric forklift or crane. The ring main unit is equipped with lifting eyes for lifting during transportation; the lifting rope length shall not be less than 2m.
- Before on-site installation, the ring main unit shall be stored in a dry, ventilated, dust-free place. If covered with plastic sheeting, the bottom shall be kept ventilated.
18. Operation & Maintenance
Pre-Use Inspection
Before using the ring main unit, the following inspections must be conducted for personal and equipment safety:
- Check if the main circuit and earthing circuit are correctly connected.
- Check if the mechanical interlock is correct and reliable.
- Check if the operation of the load switch and earthing switch inside the ring main unit is flexible and correct.
- Check if the high-voltage cable connections are correct and reliable.
Operation
- Put the ring main unit into operation in accordance with the specified operating sequence.
Maintenance
The equipment has the following advantages and does not require daily maintenance:
- All live parts are installed in epoxy resin insulation cylinders.
- All operating mechanism parts outside the epoxy resin insulation cylinder have been treated with electroplating.
- The main shaft is supported by copper sleeve bearings, which can operate continuously and effectively even without lubrication.
Note: If the ring main unit malfunctions, do not attempt to open it with drills, cutting tools, or other tools; repairs must be performed by our company's personnel only.
19. Documentation & Accessories Supplied
The following documents and accessories are provided with the product ex-factory:
- Product Installation & Operation Manual
- Product Factory Test Report
- Product Qualification Certificate
- Packing List
- Operating Handle
- Other Accessories
Yongce Group Co., Ltd.

