Complete Product Introduction of ZN63(VS1)-12
1. Product Brief Introduction
The ZN63(VS1)-12 series indoor handcart type high-voltage vacuum circuit breaker is a three-phase AC 50Hz indoor switchgear with a rated voltage of 12kV. It is applicable to industrial and mining enterprises, power plants and substations for the control, protection of electrical equipment, and is suitable for places with frequent operation. Adopting an integrated design of operating mechanism and circuit breaker body, it can be designed as a fixed installation unit, or equipped with a special propulsion mechanism to form a handcart unit. The main circuit part can adopt an integral sealed polar pole to achieve miniaturization, high reliability and easy maintenance of the circuit breaker. It can be equipped with KYN28A-12(GZS) medium voltage withdrawable switchgear, and the fixed type can also be matched with XGN series fixed switchgear.
2. Model Meaning & Explanation
The coding of the product model contains the core structural characteristics and parameter information of the vacuum circuit breaker. The specific meaning of each part of the model is as follows:
- ZN63(VS1): Indoor vacuum circuit breaker (design serial number)
- 12: Rated voltage (kV)
- The blank after 12: Rated current (A)
- The last blank: Rated short-circuit breaking current (kA)
- G (if included): Enclosed type operating mechanism; T: Spring operating mechanism
3. Normal Operating Environment
- Ambient temperature: not higher than 40℃, not lower than -10℃ (allowed to be transported at -30℃);
- Altitude: not exceeding 1000m (If the altitude is higher, the rated insulation level shall be increased accordingly);
- Relative humidity: daily average value not more than 95%, average value of saturated water vapor pressure not more than 2.2×10⁻³MPa, monthly average value not more than 1.8×10⁻³MPa;
- Earthquake intensity: not exceeding 8 degrees;
- No places with fire, explosion, serious pollution, chemical corrosion and severe vibration.
4. Product Characteristics
- Integrated design of operating mechanism and breaker body, compact structure, suitable for frequent operation scenarios;
- Optional integral sealed polar pole for main circuit, miniaturized size, high reliability and easy maintenance;
- Dual installation modes (fixed/handcart type) available, compatible with multiple switchgear models;
- Strong environmental adaptability, meeting the use requirements of industrial and mining enterprises, power plants and substations;
- Excellent vacuum interrupter performance, suitable for frequent operation under rated current or breaking short-circuit current for many times.
5. Main Technical Parameters
| Serial No. | Item | Unit | Data | ||
|---|---|---|---|---|---|
| 01 | Rated Voltage | kV | 12 | ||
| 02 | Maximum Operating Voltage | kV | 12 | ||
| 03 | Rated Current | A | 630 1250 | 630 1250 1600 2000 2500 3150 | 1250 1600 2000 2500 3150 4000 |
| 04 | Rated Short-Circuit Breaking Current (Rated Short-Time Withstand Current - RMS) | kA | 20/25 | 31.5 | 40 |
| 05 | Rated Short-Circuit Making Current (Peak) | kA | 50/63 | 80 | 100 |
| 06 | Rated Peak Withstand Current (Rated Making Current - Peak) | kA | 50/63 | 80 | 100 |
| 07 | 4s Rated Short-Time Withstand Current | kA | 20/25 | 31.5 | 40 |
| 08 | Insulation Level - Power Frequency Withstand Voltage (1min power frequency withstand voltage after rated opening/closing) | kV | To ground 42 (Break 48) | ||
| Insulation Level - Lightning Impulse Withstand Voltage (Rated lightning impulse withstand voltage peak after opening/closing) | kV | To ground 75 (Break 85) | |||
| 09 | Rated Heating Time | s | 4 | ||
| 10 | Rated Operating Sequence | - | Open-0.3s-Close-180s-Close | ||
| 11 | Mechanical Life | times | 20000 | ||
| 12 | Rated Short-Circuit Breaking Current Operating Times | times | 50 | ||
| 13 | Rated Closing Voltage of Operating Mechanism (DC) | V | AC, DC 110, 220 | ||
| 14 | Rated Opening Voltage of Operating Mechanism (DC) | V | AC, DC 110, 220 | ||
| 15 | Contact Opening Distance | mm | 11±1 | ||
| 16 | Overshoot (Contact Spring Compression Length) | mm | 3.5±0.5 | ||
| 17 | Three-Phase Opening/Closing Asynchronism | ms | ≤2 | ||
| 18 | Contact Closing Bounce Time | ms | ≤2 | ||
| 19 | Average Opening Speed | m/s | 0.9 - 1.2 | ||
| 20 | Average Closing Speed | m/s | 0.5 - 0.8 | ||
| 21 | Opening Time - At Maximum Operating Voltage | s | ≤0.05 | ||
| Opening Time - At Minimum Operating Voltage | s | ≤0.08 | |||
| 22 | Closing Time | s | 0.1 | ||
| 23 | Resistance of Each Main Circuit | μΩ | 630 ≤ 50,1250 ≤ 45 | ||
| 24 | Allowable Cumulative Wear Thickness of Moving Contact | mm | 3 | ||
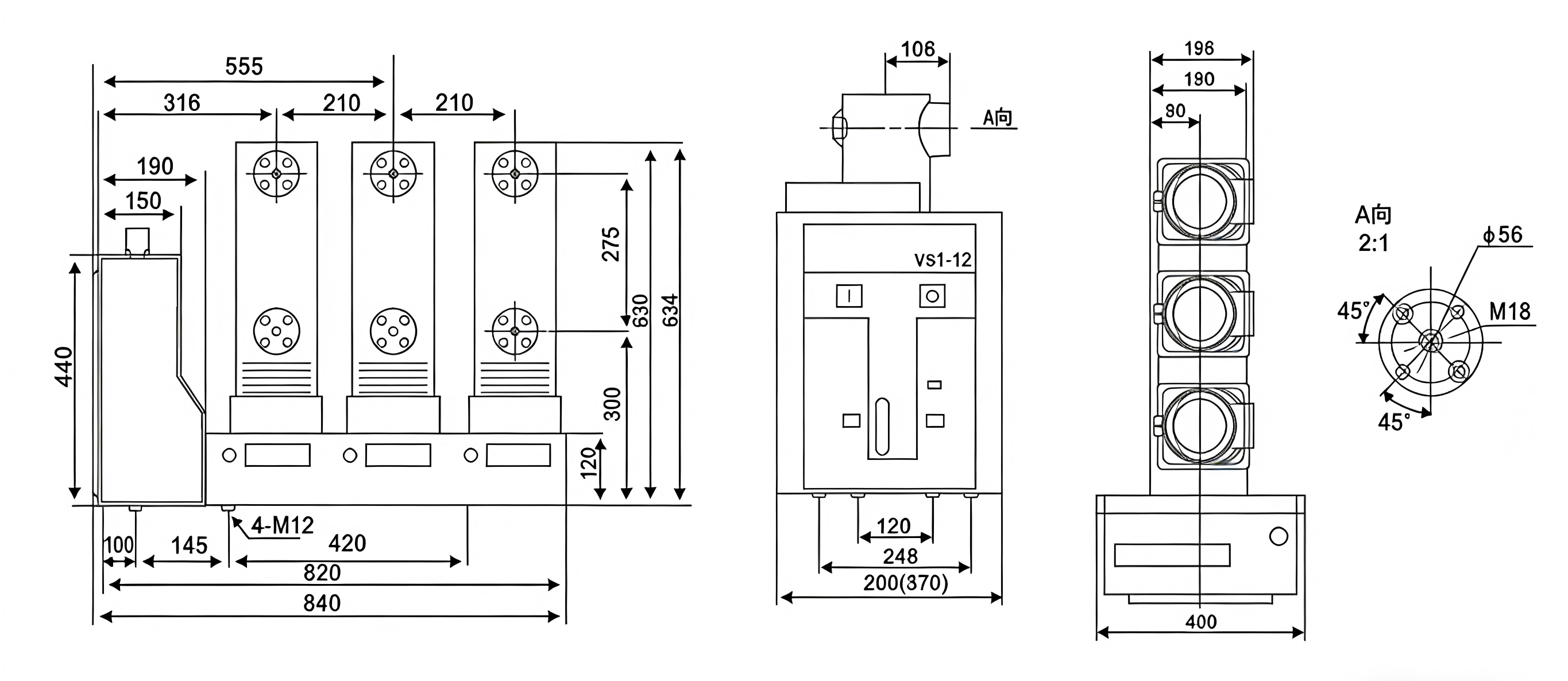
6. Outline & Installation Dimensions
7. Ordering Notes
When ordering ZN63(VS1)-12 indoor high-voltage vacuum circuit breaker, please provide the following information to ensure the product meets the actual application requirements:
- Exact product model (including rated current, rated short-circuit breaking current, operating mechanism type);
- Installation type (fixed type/handcart type) and matched switchgear model;
- Special environmental requirements (such as altitude, temperature, earthquake intensity, etc.);
- Special technical requirements (if any, such as customized voltage, additional accessories, etc.).
Yongce Group Co., Ltd.
