ZW20-12F Outdoor High-Voltage Vacuum Circuit Breaker Product Introduction
1. Product Brief Introduction
The ZW20-12F series outdoor high-voltage vacuum circuit breaker (hereinafter referred to as the circuit breaker) is outdoor power distribution equipment with a rated voltage of 12kV and three-phase AC 50Hz. It adopts vacuum arc extinguishing and SF6 gas as insulation medium, which is an upgraded product of ZW20-12F pole-mounted vacuum circuit breaker. The tank body adopts the VS5 gas chamber imported from Mitsubishi Corporation of Japan, with airtight, explosion-proof and insulation structure design. The inlet and outlet lead wires are designed for excellent sealing performance, with no leakage of SF6 gas filled inside. Its spring operating mechanism has been optimized for miniaturization, reliability and stability, and adopts direct chain drive and multi-stage latching system, with several times higher operating reliability and stability than traditional domestic spring operating mechanisms; the contact between the main circuit shaft and the bushing adopts an internal and external expansion type chain structure, with small contact resistance and low temperature rise. Therefore, the ZW20-12F outdoor pole-mounted vacuum circuit breaker is a product with simple maintenance and an excellent choice among pole-mounted circuit breakers.
The ZW20-12F is additionally equipped with overcurrent protection and mechanical spring energy storage indication, and is equipped with aviation sockets for secondary electrical connection, which is convenient to combine with intelligent controllers. Its excellent electrical and mechanical properties make the ZW20-12F outdoor pole-mounted vacuum circuit breaker widely used. It is mainly used for opening and closing 10kV power system load current and short-circuit current, suitable for protection and control in power distribution systems of power stations and industrial and mining enterprises, and more suitable for places with frequent switching operations in power grids. The product is matched with controller accessories and has a perfect combined function, which can meet the requirements of power grid automation system.
2. Model Meaning & Explanation
The coding of the product model contains the core structural characteristics and parameter information of the circuit breaker. The specific meaning of each part of the model is as follows:
3. Main Technical Parameters
| Serial No. | Item | Unit | Data |
|---|---|---|---|
| 01 | Rated voltage | kV | 12 |
| 02 | Rated frequency | Hz | 50 |
| 03 | Rated current | A | 630 / 1000 |
| 04 | Rated short-circuit breaking current | kA | 20 / 25 |
| 05 | Rated peak withstand current | kA | 50 / 63 |
| 06 | Rated short-time withstand current | kA | 20 / 25 |
| 07 | Rated closing short-circuit current | kA | 50 / 63 |
| 08 | Rated operating sequence | - | Open-0.3s-Close-Open-180s-Close-Open |
| 09 | Mechanical life | times | 10000 |
| 10 | Rated breaking times | times | 10000 |
| 11 | Rated short-circuit breaking times | times | 30 |
| 12 | Power frequency withstand voltage for 1min (wet) phase to phase, phase to ground | kV | 34 |
| 12 | Power frequency withstand voltage for 1min (dry) phase to phase, phase to ground / break | kV | 42/48 |
| 13 | Lightning impulse withstand voltage phase to phase, phase to ground / break | kV | 75/85 |
| 14 | Secondary circuit power frequency withstand voltage for 1min | V | 2000 |
| 15 | Mass | kg | Approx. 140 |
| 16 | Contact opening distance | mm | 9±2 |
| 17 | Contact travel | mm | 3±1 |
| 18 | Average opening speed | m/s | 1.2±0.2 |
| 19 | Average closing speed | m/s | 0.6±0.2 |
| 20 | Rated operating voltage | V | AC/DC220 |
| 21 | Rated pressure of SF6 gas (pressure gauge) | MPa | 0.05 (20℃) |
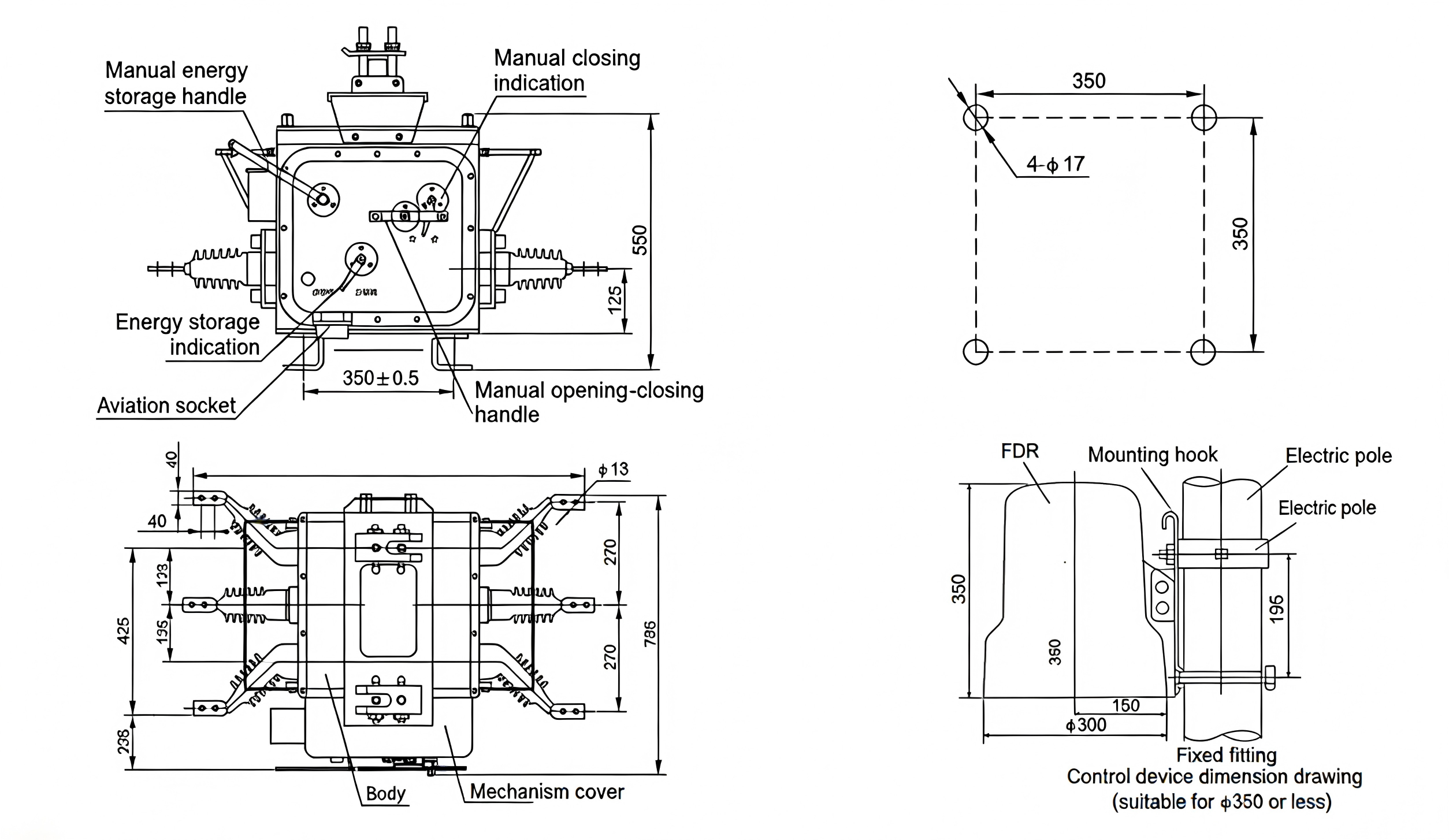
4. Outline & Installation Dimensions
Yongce Group Co., Ltd.
