Complete Product Introduction
1. Product Brief Introduction
The VZF-12R mid-mounted solid-sealed vacuum load switch - fuse combination electrical appliance (hereinafter referred to as vacuum switch) is a new generation of vacuum switchgear developed according to special design concepts and combined with market demands. It is widely used in indoor enclosed air-insulated switchgear, and complies with national standards such as GB3804-2004 and GB16926-1997. Under normal operating conditions, as long as the VZF-12R mid-mounted solid-sealed vacuum load switch - fuse combination electrical appliance is within the technical parameter range of the vacuum switch, it can operate safely and reliably in the power grid of the corresponding voltage level.
2. Model Meaning & Explanation
The coding of the product model contains the core structural characteristics and parameter information of the vacuum load switch. The specific meaning of each part of the model is as follows:
3. Normal Operating Environment
- Ambient temperature: maximum temperature ≤ 40℃, minimum temperature ≥ -25℃;
- Ambient humidity: daily average relative humidity ≤ 95%, monthly average relative humidity ≤ 90%;
- Daily average saturated vapor pressure: ≤ 2.2×10⁻³MPa;
- Monthly average saturated vapor pressure: ≤ 1.8×10⁻³MPa;
- Altitude: not higher than 1500m;
- Earthquake intensity: not exceeding 8 degrees;
- Application site: no dripping water, no flammable and explosive hazards, no chemical corrosive gas and no violent vibration;
- If the product use environment exceeds the above regulations, users can negotiate and confirm with our company.
4. Product Characteristics
- Integrated design of vacuum load switch and fuse, compact structure, suitable for indoor enclosed air-insulated switchgear;
- Complies with national standards such as GB3804-2004 and GB16926-1997, safe and reliable operation;
- Strong environmental adaptability, can operate stably under various harsh environmental conditions within the specified range;
- Solid-sealed structure design, effectively preventing external environmental impacts and improving insulation performance.
5. Main Technical Parameters
| No. | Item | Unit | VZF-12/T630-20 Vacuum Load Switch | VZF-12/125-50 Vacuum Load Switch - Fuse Combination Electrical Appliance |
|---|---|---|---|---|
| 01 | Rated Voltage | kV | 12 | 12 |
| 02 | Power Frequency Withstand Voltage (Phase to Phase, Phase to Ground) | kV | 42 | 42 |
| 03 | Lightning Impulse Withstand Voltage (Phase to Phase, Phase to Ground) | kV | 75 | 75 |
| 04 | Rated Current | A | 630 | 125 (Fuse) |
| 05 | Rated Breaking Withstand Current of Fuse | kA | - | 50 (Fuse) |
| 06 | Rated Short-Time Withstand Current | kA | 20 | - |
| 07 | Rated Peak Withstand Current | kA | 50 | - |
| 08 | Rated Breaking Current of Circuit Breaker | kA | 50 | - |
| 09 | Rated Cable Charging Breaking Current | A | 16 | - |
| 10 | Rated Breaking Alternating Current | A | - | 3150 |
| 11 | Breaking No-Load Transformer | kVA | 1250 | - |
| 12 | Electrical Life | times | 10000 | |
| 13 | Partial Discharge Quantity | pC | ≤ 5 | |
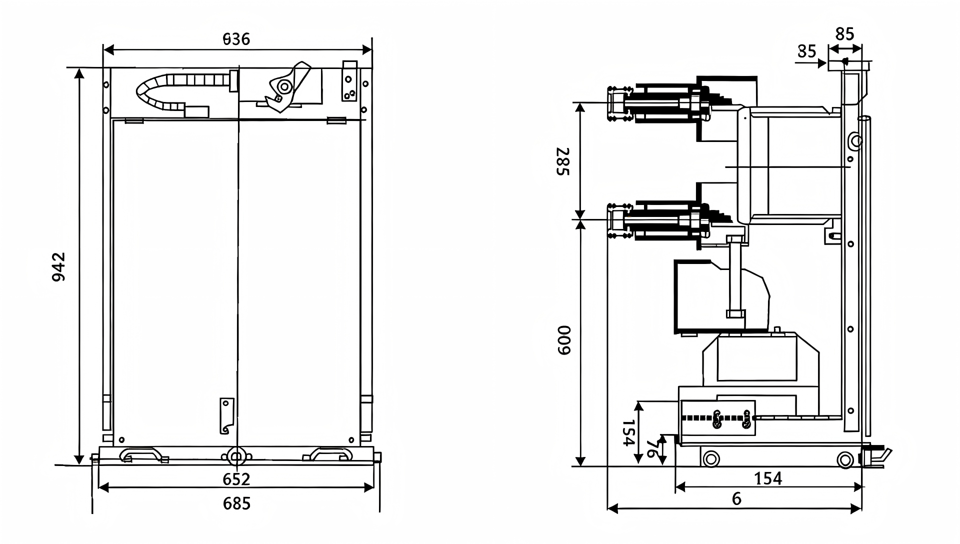
6. Outline & Installation Dimensions
The outline and installation dimensions of the product are shown in the figures below (the size parameters are marked in the drawings, and the unit is mm):
7. 10KV, 24KV, 40.5KV Series Indoor High-Voltage Functional Unit Handcart
7.1 Fuse Handcart Overall Dimensions
The size drawing of the fuse handcart is as follows (unit: mm):
| Model Type | H(mm) | H1(mm) | H2(mm) | D(mm) | Remarks |
|---|---|---|---|---|---|
| VS1 Type | 637 | 275 | 280 | 600 | Equipped with XRNT-10 or XRNP-10 |
| VD4 Type | 617 | 205 | 260 | 610 | Equipped with XRNP-10 |
7.2 Fuse + Lightning Arrester Handcart - VD4 Overall Dimensions
The size drawing of the fuse + lightning arrester handcart (VD4 type) is as follows (unit: mm):
Note: The fuse of this model is configured according to XRNP-10.
7.3 630A~1250A Isolation + PT Handcart Overall Dimensions
The size drawing of the 630A~1250A isolation + PT handcart is as follows (unit: mm):
Note: This model is suitable for matching with JDZX10-10C type voltage transformer, the installation size refers to Dalian No.1 Transformer Factory. If other types of voltage transformers are configured, it shall be indicated separately when placing an order. The fuse is configured according to XRNP-10 type.
Yongce Group Co., Ltd.
